快速详情
原产地:中国广东(大陆)
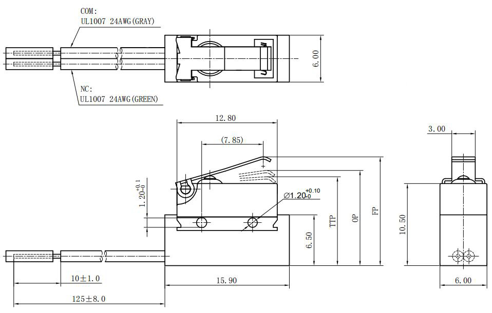
品牌名称:Unionwell
型号:G10B03-150G15B-125U
端子类型:带电线型号-右侧出线
手柄类型:02#手柄
接触形式:单极单投
安规认证:所有产品获得全球主要安规认证。
公司质量保证体系:ISO9001和IATF16949&ISO14001
应用:汽车,空调,通讯,家用电器,充电桩,充电枪,新能源。
特征
体型小巧,结构紧凑
长寿命,高可靠性
全球安全认证
端子种类齐全
配备各种形式操作柄
宽范围的操作力
特性参数
额定值 | p1 | 0.1A 48VDC/125VAC(可选镀金) |
03 | 1A/3A 125VAC | |
操作频率 | 电气 | 10~30cycles/minute |
机械 | 120cycles/minute | |
触点电阻 | 100mΩMax(Depends on P/NS) | |
绝缘电阻 | at 500VDC 100MΩ Min | |
抗电强度 | AC600V RMS (50~60Hz) | |
保存温度 | -40°C~+85°C | |
保存湿度 | 85%RH Max | |
寿命 | 电气 | 6,000~100,000cycles/取决于型号 |
机械 | 5,000,000/1,000,000cycles(可选) | |
单重 | About 0.5g(直PCB无手柄类型) | |
产品图片


