您当前的位置: 首页 > 产品中心 > 基本型微动开关 > G5

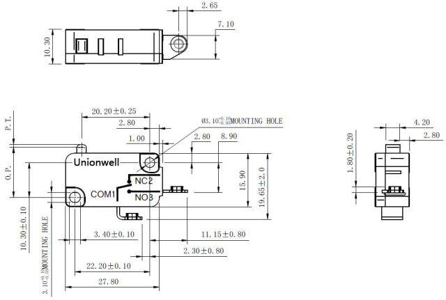
微动开关 G5H26-C1P200-T186U

快速详情

产地:广东,中国(大陆)

品牌名称:Unionwell

型号:G5H26-C1P200-T186U

端子类型:快接端子

接触类型:单极单投-常开

公司质量保证体系:ISO9001和IATF16949和ISO14001

应用:家用电器,电子设备,自动化设备,

通信设备,汽车电子,仪器仪表和电动工具。

客服电话:13431874643
在线客服
  • 产品信息

特征

 - 结构紧凑,小触点间隙,快速动作

 - 长寿命,高可靠性

 - 全球安全认证

 - 各种终端

 - 动作力范围宽:(7gf-600gf)

 - 多温度等级(-40℃〜+ 150℃),200℃可选

 - 可选PTI等级(175v,250v,600v)

 - 各种操作柄

 

特性参数

工作速度:0.1mm-1m / s(与执行器形式有关)

工作频率: 机械60次/分钟;电气15次/分钟。

绝缘电阻:≥100MΩ(500VDC)

接触电阻:≤100MΩ(初始值)

耐电压在相同极性的每个端子之间:AC1000V,50 / 60HZ,1min。

耐电压-带电压属零件与外壳之间,接线端与易触及的不带金属件之间:AC1500V,50 / 60HZ,1min。

抗振动:10-55HZ,1.5mm双倍振幅

抗冲击:OF> 0.5N:1000m / s2(约100G)max。

破坏:OF> 0.5N:最大200m / s2(约20G)

寿命:机械≥10,000,000次或1,000,000次

电气≥50,000次或100,000次


电话:13431874643

(24小时在线客服)