快速详情
产地:广东,中国(大陆)
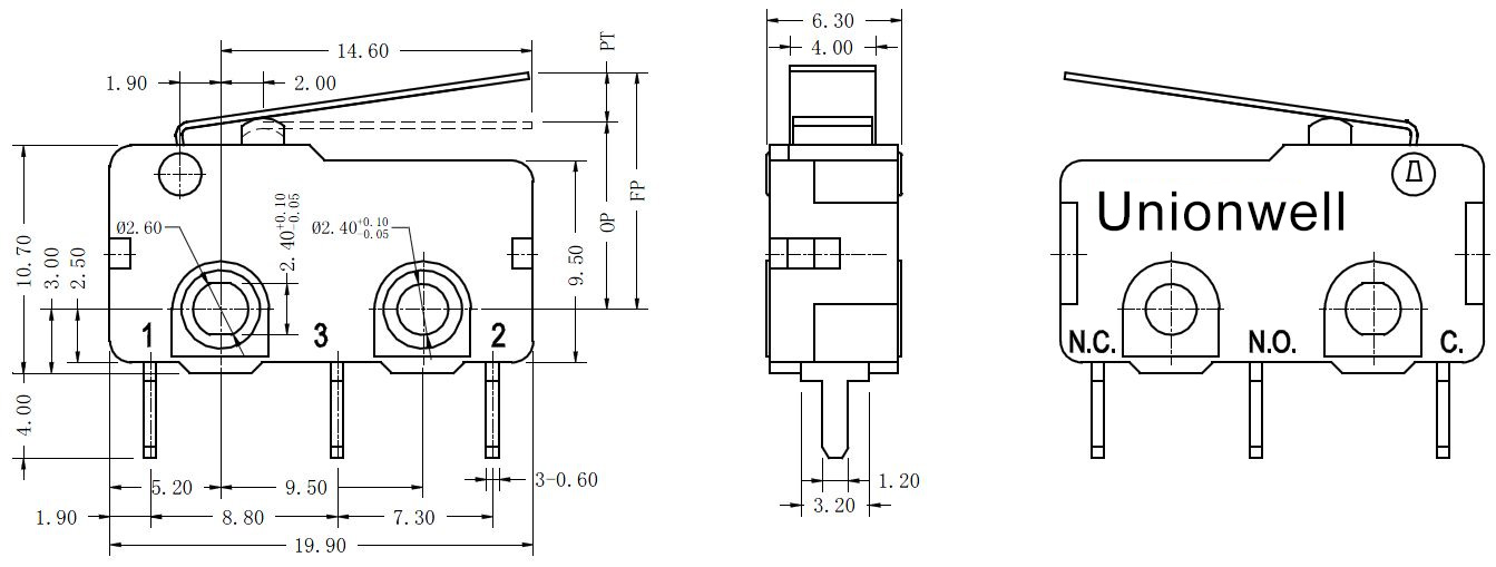
品牌名称:Unionwell
型号: G610-250P01A-T056U
端子类型:PCB端子
操作柄类型:短直手柄
接触形式:单极双投
安规认证:所有产品获得全球主要安规认证。
公司保证体系:ISO9001和IATF16949 和ISO14001
应用:空调,电脑,游戏控制杆,增湿器,电话,报警器,计时器,玩具车等
特征
- 体形小巧,紧凑
- 端子操作柄齐全
- 全球安全认证
- 寿命长和高可靠性
- 端子负载能力为10(2)A,1 / 4HP
- 定制设计
- 广泛用于自动控制,家电控制
特性参数
额定值 P1/P11/P12 ENEC:0.1A,125/250V 48VDC 5EA UL: 0.1A,125/250V 48VDC 触点可选镀金 05/051/052 ENEC:5A,125/250VAC UL: 5A, 1/8HP 125/250VAC 10/101 ENEC:10(2)A,125/250VAC U 25T125 UL: 10.1A, 1/4HP 125/250VAC 注意:250gf/仅适用于250gf 以上操作力 12 ENEC: 12(6) A,125/250VAC U 40T125 UL: 12A, 125/250VAC 注意:仅适用于350gf以上操作力 操作频率 电气 10-30 次/分 机械 120 次/分 初始接触电阻 100mΩ Max 绝缘电阻 100mΩ Min 抗电强度 AC ,1,000RMS(50-60HZ) 保存温度 -25℃~+125℃ 保存湿度 85% RH Max 寿命 电气 10,000-50,000 /cycles(D取决于类型) 机械 1,000,000/cycles
产品图片

