快速详情
产地:广东,中国(大陆)
品牌名称:Unionwell
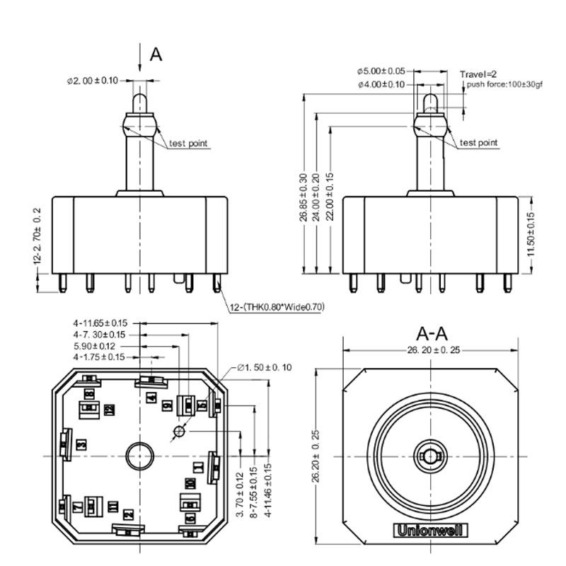
型号:密封型汽车座椅四向调节开关G19-154MRA1AAU
公司质量保证体系:ISO9001和IATF16949和ISO14001
应用:家用电器,电子设备,自动化设备,通信设备,汽车电子,汽车座椅。
特征
- 密封性设计,防护等级IP67, 耐环境性优;
- 多种操作柄高度可选,适用不同车型选用;
- 结构紧凑,可实现两向或四向转换;
- 选用高性能弹片材料,转换灵敏度高,寿命长
- 发明专利产品,专利号:202221925967.7 202210879810.3
特性参数
容许操作频率 | 10次/分钟 | ||||
初始接触电阻 | 20mΩMax | ||||
绝缘电阻 | 100MΩMin | ||||
耐电压 | 相互绝缘的所有端子间之间 | AC500V(50~60HZ),泄漏电流10ms,持续时间60+/5秒. | |||
各端子与外壳之间 | AC1000V(50~60HZ),泄漏电流10ms,持续时间60+/5秒. | ||||
寿命 | 负荷寿命 | 15A 14VDC 30,000次 | |||
机械寿命 | 50,000次 | ||||
防护等级 | IP67(外露端子部分除外) | ||||
使用环境温度 | -40~+85°C | ||||
使用环境湿度 | 95%RH以下(+5~+35°C) | ||||
应用:汽车座椅调节
座椅的前后调节:这一功能通常通过滑轨或伸缩杆实现。滑轨允许座椅在车内前后滑动,而伸缩杆则通过伸缩动作来调整座椅的前后位置。这样,驾驶员或乘客可以根据个人身材和需求,将座椅调整到最舒适的位置。
座椅的高度调节:高度调节主要通过座椅底座上的装置完成。这些装置可以是手动操作的旋钮或杠杆,也可以是电动装置。通过控制这些装置的升降功能,可以实现座椅高度的精确调整,从而确保驾驶员的视线和舒适度达到最佳状态。
座椅的靠背角度调节:靠背角度的调节对于提供舒适的驾驶体验至关重要。手动调节通常通过旋钮或杠杆实现,而电动调节则通过控制装置上的按钮或开关完成。这些调节机制允许驾驶员根据个人喜好和驾驶需求,调整靠背的角度,以获得最佳的支撑和舒适度。
座椅的腰部支撑调节:腰部支撑功能对于长时间驾驶的驾驶员尤为重要。通过手动或电动装置,可以调节腰部支撑的位置和强度,以提供个性化的腰部支撑,减轻驾驶过程中的疲劳感。
